中轻网首页 (神马在线)
English
收藏本站
邮件系统 (神马影院高清)
|
行业综合服务平台 (神马影视)
|
资产财务管理网
首页
|
简介
|
神马影院在线
|
"神马影视" 主要领导
|
神马影院免费观看
|
神马影视
|
神马在线
|
神马影院
|
神马影院在线
|
神马影院高清
|
联系方式
您已登录成功!
用户名:
内部办公系统
会员管理系统
人事管理系统
档案管理系统
合同管理系统
党群管理系统
会议会展管理
新闻出版年检
电子邮件系统
信息发布系统
轻工业联合会
>
中轻联通知公告
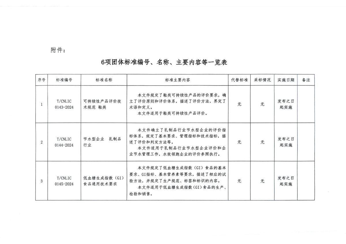
关于批准发布《可持续性产品评价技术规范 鞋类 》等6项团体标准的公告
2024-07-02 来源:
[打印本稿]
[字号
大
中
小
]
附件下载:
1、
关于批准发布《可持续性产品评价技术规范 鞋类》等6项团体标准的公告